R/D Converter | Smartcoder
AU6805 汎用タイプ デジタル・トラッキング方式(リアルタイム絶対値角度変換)を採用。低価格・小型の高速12ビットR/D(レゾルバ/デジタル)変換ICです。
AU6805 汎用タイプ デジタル・トラッキング方式(リアルタイム絶対値角度変換)を採用。低価格・小型の高速12ビットR/D(レゾルバ/デジタル)変換ICです。
| 形式 | AU6805 |
|---|---|
| 分解能 | 4,096(=212) |
| 追従速度 | 240,000 min-1(fBW固定時) |
| 変換精度 | ±4 LSB |
| 最大角加速度 | 3,000,000 rad/s2(fBW自動調整時) |
| セトリングタイム | 1.5 ms(typ) (180 °入力ステップ、fBW自動調整時) |
| 出力応答性 | ±0.2 °/10,000 min-1 |
| 出力形態 | 12ビット2進コード正論理パラレル+A,B,Z+シリアルI/F |
| 所要電源 | +5 V±10 %(45 mA:励磁アンプ10 mArms設定時) |
| 励磁電源 | 定電流制御方式励磁アンプ内蔵(10 mArms/20 mArms) |
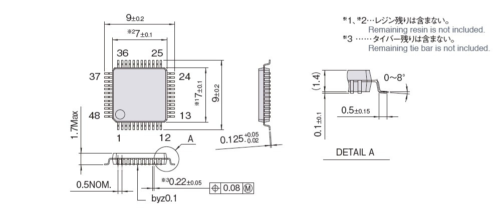
| 外形寸法 | 48ピンLQFP(7×7)、ピン間隔:0.5 mm |
| 動作温度 | -40 ~ +125 ℃ |
寸法:mm
スクロールでご覧ください
| No. | 信号名称 | 種類 | 備考 | No. | 信号名称 | 種類 | 備考 | No. | 信号名称 | 種類 | 備考 | ||
|---|---|---|---|---|---|---|---|---|---|---|---|---|---|
| 1 | EXMDB | D/I | 外部励磁信号 モード |
17 | CLKIN | D/I | クロック入力 | 33 | D3 | D/O (BUS) |
U相/φ9 | ||
| 2 | DCMDB | D/I | DCレゾルバ モード |
18 | SSDT | D/I | シリアル 設定データ |
34 | D2 | D/O(I) | Z相/φ10 | ||
| 3 | RLV | D/I | 励磁電流選択 | 19 | SSCS | D/I | シリアル 設定CS |
35 | D1 | D/O (BUS) |
B相/φ11 | ||
| 4 | VCC | - | アナログ電源 | 20 | DATA | D/O (BUS) |
シリアル データ |
36 | D0 | D/O (BUS) |
A相/φ12 | ||
| 5 | SINMNTB | A/O | SINモニタ | 21 | SCSB | D/I | シリアルCSB | 37 | VDD | ― | デジタル電源 | ||
| 6 | COSMNT | A/O | COSモニタ | 22 | PRTY | D/O (BUS) |
パリティ | 38 | INHB(RD) | D/I | インヒビット | ||
| 7 | A GND | - | アナログGND | 23 | SCK | D/I | シリアルクロック | 39 | ERRHLD | D/O(I) | エラー(保持) | ||
| 8 | S3 | A/I | S3入力 | 24 | DGND | - | デジタルGND | 40 | ERRSTB | D/I | エラーリセット | ||
| 9 | S1 | A/I | S1入力 | 25 | D11 | D/O (BUS) |
ERRCD3/φ1 | 41 | ERR | D/O(I) | エラー出力 | ||
| 10 | S2 | A/I | S2入力 | 26 | D10 | D/O (BUS) |
ERRCD2/φ2 | 42 | A | D/O | A相パルス出力 | ||
| 11 | S4 | A/I | S4入力 | 27 | D9 | D/O (BUS) |
ERRCD1/φ3 | 43 | B | D/O | B相パルス出力 | ||
| 12 | R GND | - | 励磁アンプGND | 28 | D8 | D/O (BUS) |
ERRHLD/φ4 | 44 | Z | D/O(I) | Z相パルス出力 | ||
| 13 | R2 | A/O(I) | 励磁出力 R2 |
29 | D7 | D/O (BUS) |
ERR/φ5 | 45 | CSB | D/I | チップセレクト | ||
| 14 | VRR | - | 励磁アンプ 電源 |
30 | D6 | D/O (BUS) |
-/φ6 | 46 | PUPD | D/I | パラレル絶対値更新切換 | ||
| 15 | R1 | A/O(I) | 励磁出力 R1 |
31 | D5 | D/O (BUS) |
W相/φ7 | 47 | TEST1 | D/I | (テストモード設定) | ||
| 16 | BISTVLD | D/I | BIST実行制御 | 32 | D4 | D/O (BUS) |
V相/φ8 | 48 | TEST2 | D/I | (テストモード設定) |
(注)
1.“No.”は、端子(ピン)No.に対応する。
2.信号種類は、以下による。
3.No.48のTEST2信号及びNo.47のTEST1信号は、運用には直接関与しない信号であり、通常は、デジタルVDDと短絡しておく。
何も接続しない場合は内部でそれぞれプルアップされる。
・RoHS対応
・電源 DC+5V ±10%
注)本製品は、評価試験用のため動作保証はしておりません。詳細は、お問い合わせください。